One day you're contemplating the inner workings of your new Espresso machine and in walks Dr. Jerry Atrics, professor of ancient indigenous cultures at the local university, just back from a three month expedition in the Sonora Desert. "Well Doctor it's nice to see you back so soon," I said. "I'm really not supposed to be back, replied the professor, I just came back for the extra truck so we could start loading the 20 tons of artifacts I want to bring back. But now, I discover, there is no fourth gear, and with the price of gas these days and the budgets getting trimmed everywhere, I need the economy. It's not like the Sonora is just around the corner."

"Oh", I said, savoring my last gulp of espresso. The professor invited me to ride with him back to his campus. Sure enough the 3500 Ram Dodge pickup had no fourth gear. While the professor hurried into his office, I hooked up a little temporary harness I made, which enabled me to test fourth gear and lockup engagement. The professor came back with his arms full of maps and a very studious-looking assistant. Her name was Anita Mann. We drove back. I rode shotgun. As soon as the road was clear, I engaged fourth gear. We all felt it. Next, I pushed the switch for lockup. It felt good too.

Since the problem involved an electrical part outside the transmission, I sent the professor and Anita down to the local hangout to dig-up some local culture. Anita was delighted as she wanted to show the professor a short cut across the London Bridge.

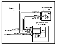
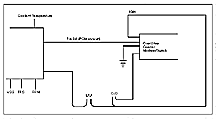
Digging into the problem, I discovered that the manufacturer had used several versions of electrical circuits to control fourth gear. All the versions roughly combined into two types. The first type engages fourth gear by having the overdrive cancel module ground the 3-4 shift solenoid circuit. The second type uses the computer to ground the 3-4 solenoid circuit (figures 1 and 2).

Figure 1  Figure 2

The Dodge pickup looked like it used the second type system as shown in figure two. Closer scrutiny of the second type system revealed that information from the coolant sensors, TPS, VSS, engine rpm signal, overdrive switch (or overdrive cancel module) is required for fourth gear to operate. Some models also have a transmission oil temperature sensor which prevents fourth gear if the ATF exceeds 270° Fahrenheit. In order for the PCM to allow fourth gear, the engine coolant temperature must be at least 65° Fahrenheit. The overdrive cancel switch module must be on, the VSS must indicate at least 25 MPH and the TPS must indicate above idle and less than 70 percent open.

I realized that knowing if all the sensors were working would help diagnose this problem. Grabbing my trusty scanner, I quickly entered in the particulars: model, year, Dodge pickup, VIN, and 5.9L gas engine. The next test drive (with the transmission harness hooked up) did not produce any trouble codes. While scanning the parameters, I did, however, notice that the overdrive solenoid was never commanded on. Since the PCM is responsible for allowing fourth gear, I next checked the input data such as TPS, VSS, gear selector position, engine rpm and coolant temperature sensor.

I finally realized that I was always getting an off signal from the overdrive cancel switch. Now I was getting somewhere. My component locator showed me there was a switch in the dash and a separate overdrive control module under the center of the dash. I checked my extensive library and located a 1990-92 aftermarket transmission manual. What little information it had didn't match the vehicle. I next called the general repair shop across the street. He had a factory 1992 Dodge Dakota shop manual. It showed the overdrive cancel module being part of the overdrive cancel switch. Even the factory manual didn't have the correct schematic. "What are these people trying to do to me!" I called my last hope. As soon as ATRA faxed the correct diagram, I decided to run a few tests. For the first test, the continuity between pins one and three of the overdrive cancel switch was monitored while the overdrive cancel button was pushed (figure 3). Continuity was present all the time. Maybe this was the missing link to the professor's decreased mileage. Just to be sure, I bypassed the switch harness with my own switch. Now fourth gear worked and could be canceled whenever the wires were touched.

Figure 3

The professor had already told me to fix whatever it needed, so just as I finished putting in the new switch, he and Anita strolled up. A test drive confirmed everything worked as it should. The professor and Anita seemed more involved in deciding whether to go via the London Bridge or the Grand Canyon back to the Sonora Desert. While I explained to the professor that the problem was caused by a failed overdrive cancel switch, Anita had taken off her cats-eye glasses and was closely inspecting the maps she had arranged over the hood of the pickup. "Professor" she exclaimed, "did you know that the lost city of Expopolis is supposed to be just outside the city of Las Vegas. If we went through the Grand Canyon..." As she turned to face us, a sudden gust of hot wind (not unlike that found in the Sonora Desert) came up and blew Anita's drab Fedora across the field. A wavy lock of golden hair cascaded around her shoulders. The professor and I shared the same thought, Anita was gorgeous. As they took off, I shouted "I'll see you in November during ATRA's Transmission EXPO."